Kev Sib Tham Txog Kev Tsim Kev Hloov Hloov Stabilized Voltage Power Supply
Lub luag haujlwm ntawm qhov no yog muab lub zog tsav ntawm lub nti siv nyob rau hauv cov khoom siv hluav taws xob tseem ceeb thiab siv nws ua qhov siv hluav taws xob.

Lub zog hluav taws xob muab lub zog DC ruaj khov ntxiv rau 5V, nws lub luag haujlwm tseem ceeb yog muab kev sib piv, tus txiav txim siab thiab tus encoder Lub zog tsav yog ntxiv rau 5V. Daim duab 1.

Lub hwj chim muab lub zog DC ruaj khov ntxiv rau 12V, thiab nws lub luag haujlwm tseem ceeb yog muab lub zog tsav tsheb ntxiv rau 12V rau 2803 thiab muab cov kev siv hluav taws xob sib piv. Daim duab 2.
Lub hwj chim mov yog tsim los ntawm peb qhov chaw: rectification, filtering thiab voltage stabilization, thiab qee qhov haujlwm yog raws li hauv qab no:
Choj rectifier Circuit Court:
Nyob rau hauv qhov zoo ib nrab voj voog ntawm U2, lub peev xwm ntawm taw tes a yog siab tshaj qhov taw tes b, D1 thiab D3 tau qhib, D2 thiab D4 raug txiav tawm, thiab tam sim no rov qab los ntawm lub davhlau ya nyob twg a mus rau lub davhlau ya nyob twg b ntawm lub hwj chim mov los ntawm D1, RL thiab D3; Nyob rau hauv qhov tsis zoo ib nrab voj voog ntawm U2, lub peev xwm ntawm point b yog siab tshaj qhov muaj peev xwm ntawm point a, D2 thiab D3 raug muab tua, D1 thiab D3 raug txiav tawm, thiab tam sim no rov qab los ntawm qhov kawg b mus rau qhov kawg ntawm lub hwj chim mov. Los ntawm D2, RL thiab D4. Piv nrog rau ib nrab-yoj rectifier Circuit Court, nyob rau hauv tib yam kev mob ntawm U2 thiab RL, cov zis tam sim no thiab voltage yog ob npaug; tam sim no ripple degree yog txo; lub transformer
Muaj symmetrical tam sim no ntws nyob rau hauv qhov zoo thiab tsis zoo ib nrab voj voog, uas yog tag nrho siv thiab tsis muaj teeb meem ntawm ib tug magnetization, tab sis plaub rectifying diodes yuav tsum tau, thiab lub Circuit Court yog me ntsis nyuaj. Piv nrog rau tag nrho-yoj rectification, txawm hais tias 2 ntau rectifier diodes siv, qhov rov qab tiv thaiv voltage yog ob npaug, qhov thib ob ntawm lub transformer yog ib tig tsawg dua, thiab tag nrho cov nqi qis dua li ntawm tag nrho-yoj rectifier circuit.
Lub hwj chim muab lub zog DC ruaj khov ntxiv rau 12V, thiab nws lub luag haujlwm tseem ceeb yog muab lub zog tsav tsheb ntxiv rau 12V rau 2803 thiab muab cov kev siv hluav taws xob sib piv. Daim duab 2.
Lub hwj chim mov yog tsim los ntawm peb qhov chaw: rectification, filtering thiab voltage stabilization, thiab qee qhov haujlwm yog raws li hauv qab no:
Choj rectifier Circuit Court:
Nyob rau hauv qhov zoo ib nrab voj voog ntawm U2, lub peev xwm ntawm taw tes a yog siab tshaj qhov taw tes b, D1 thiab D3 tau qhib, D2 thiab D4 raug txiav tawm, thiab tam sim no rov qab los ntawm lub davhlau ya nyob twg a mus rau lub davhlau ya nyob twg b ntawm lub hwj chim mov los ntawm D1, RL thiab D3; Nyob rau hauv qhov tsis zoo ib nrab voj voog ntawm U2, lub peev xwm ntawm point b yog siab tshaj qhov muaj peev xwm ntawm point a, D2 thiab D3 raug muab tua, D1 thiab D3 raug txiav tawm, thiab tam sim no rov qab los ntawm qhov kawg b mus rau qhov kawg ntawm lub hwj chim mov. Los ntawm D2, RL thiab D4. Piv nrog rau ib nrab-yoj rectifier Circuit Court, nyob rau hauv tib yam kev mob ntawm U2 thiab RL, cov zis tam sim no thiab voltage yog ob npaug; tam sim no ripple degree yog txo; lub transformer
Muaj symmetrical tam sim no ntws nyob rau hauv qhov zoo thiab tsis zoo ib nrab voj voog, uas yog tag nrho siv thiab tsis muaj teeb meem ntawm ib tug magnetization, tab sis plaub rectifying diodes yuav tsum tau, thiab lub Circuit Court yog me ntsis nyuaj. Piv nrog rau tag nrho-yoj rectification, txawm hais tias 2 ntau rectifier diodes siv, qhov rov qab tiv thaiv voltage yog ob npaug, qhov thib ob ntawm lub transformer yog ib tig tsawg dua, thiab tag nrho cov nqi qis dua li ntawm tag nrho-yoj rectifier circuit.
2 Tsim cov khoom siv hluav taws xob loj
Qhov no kho qhov voltage los ntawm peb-terminal adjustable integrated voltage regulator. Thaum lub potentiometer R2 hloov kho, qhov voltage yuav hloov nrog tus nqi ntawm cov resistor.
3 Tsim ntawm kev tiv thaiv Circuit Court ib feem Lub tiv thaiv Circuit Court txais kev ua haujlwm ntawm cov nyhuv field tube, thiab nws ua haujlwm
Lub hauv paus ntsiab lus ntawm kev ua haujlwm yog raws li hauv qab no: thaum lub hwj chim tso zis yog luv luv, lub rooj vag-qhov chaw ntawm cov nyhuv transistor VT2 ua vaj huam sib luag muaj peev xwm thiab kev coj ua, thiab nws cov dej-qhov chaw yuav qhia lub hauv paus tam sim no ntawm kev hloov pauv transistor VT1 kom txo tau. lub conduction tam sim no ntawm kev hloov kho transistor. Muaj nuj nqi, R2 yog kev tiv thaiv resistor ntawm lub rooj vag ntawm lub teb cov nyhuv transistor. Thaum xaiv ib lub raj muaj txiaj ntsig, qhov hluav taws xob conduction poob (qhov hluav taws xob ntawm qhov ntws thiab qhov chaw) yuav tsum me dua qhov hluav taws xob hluav taws xob poob ntawm qhov hluav taws xob sib txuas ntawm lub raj hloov.
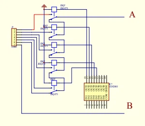
4 Tsim ntawm relay tsav ib feem
Kev tsim ntawm qhov no feem ntau yog siv cov haujlwm tshwj xeeb ntawm cov relay: thaum muaj qhov hluav taws xob ntawm ob qho kawg ntawm lub relay, lub relay yog qhib, txwv tsis pub lub relay raug tua. Lub relay yog tsav los ntawm ib tug 2803 nti, raws li qhia nyob rau hauv daim duab 3, nws yuav pom tau hais tias ob qho tag nrho ntawm A thiab B yog txuas nrog rau lub rectifier ib feem, thiab lub input davhlau ya nyob twg ntawm 2803 yog txuas nrog lub decoding part. Thaum lub teeb liab decoding tau xa mus rau 2803, nws yuav txiav txim siab tias qhov tso tawm ntawm qhov kawg yog theem siab, thiab cov relay txuas rau qhov kawg no tau qhib, uas yog, nws txuas nrog thawj lub iav ntawm lub transformer los ua lub luag haujlwm. ntawm kev hloov.

